当前位置:首页 > 解决方案

解决方案

SOLUTION

综合布线系统工程

日期:2019/12/5 10:55:59来源:宁波利为网络科技有限公司

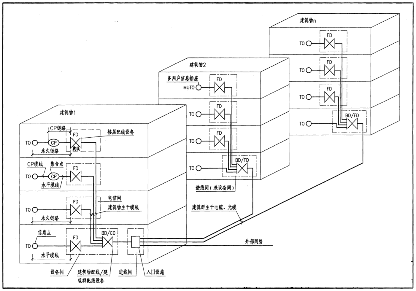
综合布线系统它既使话音和数据通信设备、交换设备和其它信息管理系统彼此相连,又使这些设备与外部通信网络相连接。它包括建筑物到外部网络或电话局线路上的连线点与工作区的话音或数据终端之间的所有电缆及相关联的布线部件。

代理咨询

售前咨询

热线电话

18657482950